?>
Acquire a Motorola OnCore M12+ OEM GPS module. I selected the Motorola for several reasons. Mainly price. The eBay seller listed below had them for $55. Cheaper than either of the Garmin modules (15 and 25) I was looking at. The power consumption might be a little less on the M12+ which is important in standby. I want everything that has to stay on during standby mode (with the car off) to draw as little power as possible. The M12+ has DGPS input capability. One downside is it does not have WAAS support. I'm not convinced that this is a big deal, and well, I already ordered it. The M12+ claims dual serial output like the GPS25, but I don't see it. The GPS25 costs 3x more and dual serial output can be simulated by literally splitting the RS232 signal. I will be using one for the PC, and one to an APRS transmitter.
This eBay Seller had 17 at last check - EDIT: They are the TIMING firmware which doesn't have NMEA. Synergy charges $35 to reflash.
Synergy GPS is the main distributor for the OnCore.
One disadvantage of many OEM GPS modules is the TTL output. Google if you don't understand the difference between TTL and RS232. So, a conversion is necessary. MAX232 to the rescue. This circuit could be complicated with lots of lights and stuff, but I'd prefer to keep it simple. This schematic shamelessly stolen from somewhere. Almost all MAX232 schematics are the same anyway.

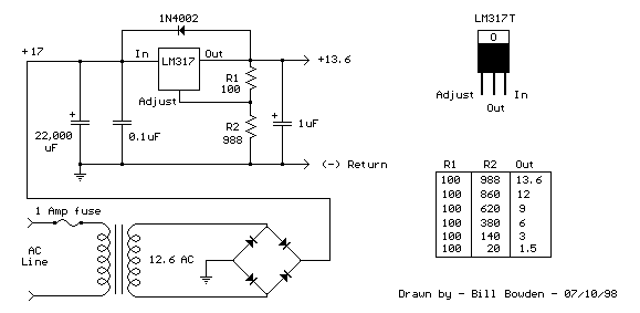
I need 2 different voltage levels for this. 5V for the GPS antenna and MAX202, and 3V for the OnCore M12+. 5V is easily obtained from this kick-ass DC-DC +5V Buck Regulator. A bargain for $5, the board can be trimmed as shown in the pictures. Then I take the 5V, into a LM317 and get about 3.1V. The LM317 circuit I used is just a simplified version, omitting the extra capacitors and diodes. Basically just the LM317 and 2 resistors to get the correct voltage. I believe I used 100ohms and 150ohms.
Here you can see the DC-DC circuit, the 317 and MAX202/232 circuit, and the OnCore GPS engine. You can also see my antenna cobble job while I wait for a MMCX connector for my antenna. One serious downside to the OnCore is the MMCX connector. You have to either find an antenna with an MMCX connector, or spend $34 like I did for a pigtail for FME Male-MMCX Male.